音叉谐振器49SMD-谐振器陶瓷谐振器SMD谐振器SMD振荡器

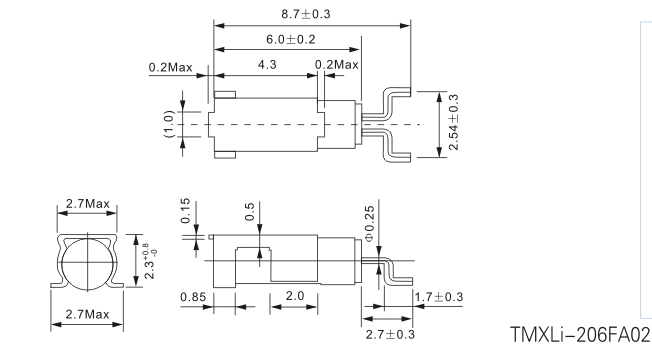
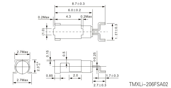
TMXLi-206FA02/TMXLi-206FSA02

特性:

频率范围:30-100KHZ
适合于自动贴装和回流焊接
适用于数码设备的所有时钟源

PDF下載
返回

联系俄罗斯专享会

服务热线:

0086-755-83657231/83657232

深圳市福田区东园路玉田大厦402室

Copyright © 2018 深圳市俄罗斯专享会电子有限公司

俄罗斯专享会




网站地图